VRSS-110T4
VRSS-110T4
Изображение товара VRSS-110T4 с модификацией 110 кВт
Характеристики
  • Количество фаз
    3-фазный
  • Тип двигателя
    Трехфазный 380В
  • Мощность двигателя
    110 кВт
  • Номинальный ток
    210 А
  • Напряжение питания
    380В AC
  • Степень защиты
    IP20
  • Масса, кг
    28.7 кг
Все характеристики
  • Артикул 238290 /110 кВт
  • Бренд VEMPER
  • Страна производитель Россия
  • Гарантия 2 года
Спецпредложение

Устройство плавного пуска VRSS-110T4 110 кВт

Расчет стоимости доставки

Рассчитайте стоимость и сроки доставки из Екатеринбурга

× ×
Характеристики
  • Количество фаз
    3-фазный
  • Тип двигателя
    Трехфазный 380В
  • Мощность двигателя
    110 кВт
  • Номинальный ток
    210 А
  • Напряжение питания
    380В AC
  • Степень защиты
    IP20
  • Масса, кг
    28.7 кг
Все характеристики
  • Артикул 238290 /110 кВт
  • Бренд VEMPER
  • Страна производитель Россия
  • Гарантия 2 года

Описание

Устройство плавного пуска VRSS-110T4: Компактное решение для двигателей 110 кВт

Цифровой софтстартер VRSS-110T4 — оптимальный выбор для плавного пуска и защиты асинхронных электродвигателей мощностью 110 кВт

Вниманию специалистов по промышленной автоматизации и электроприводу! Представляем устройство плавного пуска VRSS-110T4  — компактную, полнофункциональную модель из надежной серии VRSS, предназначенную для управления двигателями мощностью до 110 кВт при напряжении 380В. Это идеальное решение для модернизации существующих систем прямого пуска или комплектации нового оборудования, где требуется минимизировать пусковые токи, механические удары и продлить ресурс электромеханических компонентов.

⚙️ Технические характеристики и конструктивные особенности УПП VRSS-110T4

Модель сочетает в себе передовую цифровую начинку и удобство эксплуатации. Ее ключевые параметры удовлетворяют требованиям большинства стандартных промышленных применений.

⚡ Номинальная мощность: 110 кВт при напряжении сети 380~440В, 50/60 Гц. Диапазон управления тока до: 210 А.

📦 Компактное исполнение: Настенный монтаж в закрытом помещении (степень защиты IP20). Устройство отличается малыми габаритами и весом, что упрощает его размещение в существующих шкафах управления или на монтажных панелях.

🛍️ Ключевые преимущества устройства плавного пуска VRSS

Внедрение софтстартера VRSS — это инвестиция в надёжность и долговечность вашего оборудования. Устройство предлагает комплекс инженерных решений, обеспечивающих защиту, эффективность и удобство эксплуатации.

🛡️ Превосходная защита и высокая надёжность

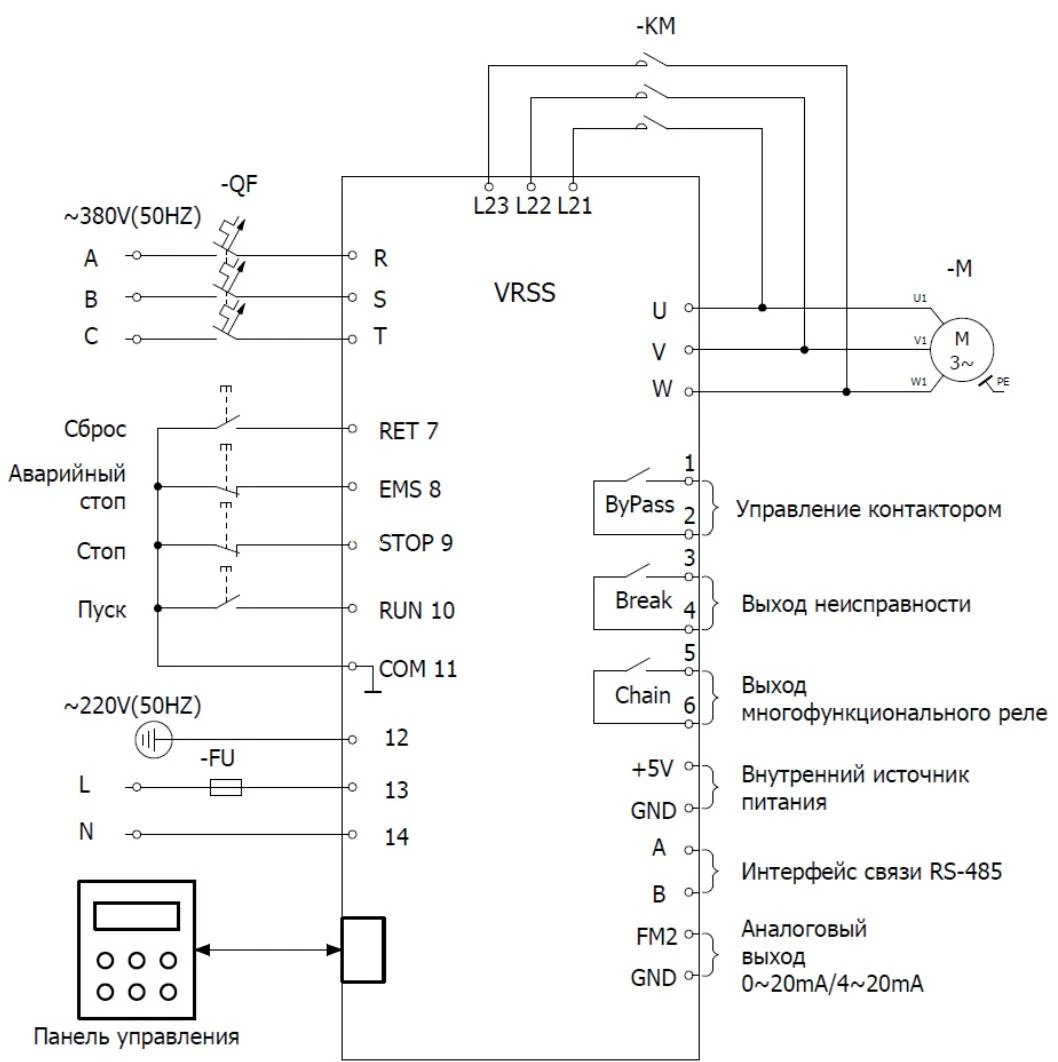
✅ Многофункциональная защита двигателя: Встроенная интеллектуальная система непрерывно контролирует состояние электропривода и защищает его от основных угроз: перегрузки по току, перегрева, дисбаланса или полного отсутствия фаз, работы в режиме недогрузки, а также от сигналов внешних аварийных датчиков.

✅ Конструкция, ориентированная на ремонт: Возможность подключения внешнего байпас-контактора (ByPass) минимизирует время простоя. В случае необходимости сам контактор может быть быстро заменён без демонтажа всего устройства.

⚙️ Эффективный и плавный пуск

✅ Снижение сетевой нагрузки: Устройство значительно уменьшает пусковые токи (в 2-4 раза по сравнению с прямым пуском), предотвращая просадки напряжения в сети и снижая нагрузку на питающую подстанцию.

✅ Плавный и безударный разгон: Обеспечивает постепенное увеличение скорости вращения, что полностью исключает механические удары в приводе. Это продлевает ресурс подшипников, редукторов, муфт, ремней и конвейерных лент.

🔧 Удобство монтажа, настройки и управления

✅ Компактные размеры: Малогабаритный корпус облегчает размещение в стандартных шкафах управления даже при ограниченном пространстве.

✅ Гибкие варианты управления: Управление возможно как с съёмной панели управления, так и дистанционно — с помощью команд, подаваемых на внешние клеммы (Старт, Стоп, Быстрый стоп, Сброс). Это обеспечивает легкую интеграцию в любую систему автоматики.

✅ Настраиваемые параметры запуска: Предусмотрена точная регулировка времени и параметров запуска (ограничение по току, напряжению), что позволяет идеально адаптировать устройство под конкретный двигатель и тип нагрузки.

📡 Функциональность для интеграции в АСУ ТП

✅ Промышленная связь: Наличие интерфейса RS-485 с поддержкой протокола Modbus RTU позволяет подключать устройство к SCADA-системам или главному контроллеру для централизованного мониторинга и управления.

✅ Универсальные сигнальные выходы: Комплектация включает программируемые релейные выходы для сигнализации о состоянии и аналоговый выход 0-20 мА / 4-20 мА для передачи данных (например, тока нагрузки) на внешние приборы учёта или регистраторы.

Этот вариант делает акцент на выгодах для клиента (защита, экономия, удобство), логически группирует преимущества и использует более современный и продающий язык.

🏭 Область применения: где особенно эффективен VRSS-110T4?

Данная модель оптимальна для широкого спектра оборудования с асинхронными двигателями средней мощности, где критически важны плавность работы и снижение нагрузок:

💧Насосное оборудование: Циркуляционные, скважинные, центробежные насосы в системах водоснабжения, отопления, орошения. УПП устраняет гидроудары, снижает износ арматуры.

🌪️ Вентиляторные установки: Приточные и вытяжные вентиляторы, дымососы, кулеры. Плавный пуск предотвращает рывок лопастей и продлевает срок службы подшипников.

🌀 Компрессорное оборудование: Поршневые и винтовые компрессоры малой и средней мощности. Снижение пускового момента уменьшает износ механических частей.

📦 Конвейерные системы: Ленточные и цепные транспортеры, элеваторы, шнеки. Плавный старт устраняет просыпание груза и растяжение ленты.

⚒️ Прочее оборудование: Дробилки малой мощности, смесители, вентили заслонок, станки (токарные, фрезерные).

🏗️ Отрасли: Пищевая промышленность, малые и средние производства, коммунальное хозяйство (котельные, насосные станции), логистические центры, сельское хозяйство.

📊 Сравнение с аналогами и ключевые преимущества

Почему стоит выбрать именно устройство плавного пуска VRSS-110T4 для вашего проекта?

✔  Соотношение цена/функциональность: Модель предлагает полный набор функций цифрового софтстартера по конкурентной цене, сравнимой с более простыми аналогами.

✔  Простота настройки и внедрения: Интуитивное меню на русском языке и минимальное количество регулируемых параметров (при наличии заводских предустановок) позволяют быстро ввести устройство в эксплуатацию без глубоких специальных знаний.

✔  Надежность и качество сборки: Устройство собрано на основе качественных компонентов с соблюдением стандартов электромагнитной совместимости (ЭМС). Рабочий температурный диапазон: -10°C до +50°C.

✔  Локальная поддержка и наличие: Устройство доступно на складе в РФ, что гарантирует быструю отгрузку. Мы предоставляем полную техническую документацию на русском языке и гарантийную поддержку 24 месяца.

✔  Энергоэффективность: Режим байпаса (Bypass), активируемый автоматически после разгона, минимизирует собственные тепловые потери устройства, повышая общий КПД системы.

🛒 Как купить УПП VRSS-110T4 и получить консультацию?

Чтобы заказать устройство плавного пуска VRSS-110T4 для вашего объекта:

🔹Оформите заявку на сайте. Укажите необходимое количество и контактные данные. Возможен оптовый заказ со специальными условиями.

🔹Свяжитесь с нашими инженерами. Они помогут убедиться в корректности выбора модели под ваш конкретный двигатель и тип нагрузки, рассчитают необходимые дополнительные компоненты (автоматы защиты, радиаторы при монтаже в жарких помещениях).

🔹Воспользуйтесь дополнительными услугами. Мы предлагаем поставку в сборе с модулем байпаса и дополнительным оборудованием.

Выбирайте проверенное и эффективное решение для плавного пуска! Устройство плавного пуска VRSS-110T4 — это надежная защита ваших двигателей, снижение эксплуатационных затрат и повышение стабильности технологических процессов.

🔧 Покупка устройства плавного пуска VRSS-110T4 это уверенный старт и долгая жизнь вашего оборудования!

*Предложение не является публичной офертой

Характеристики

  • Количество фаз
    3-фазный
  • Тип двигателя
    Трехфазный 380В
  • Мощность двигателя
    110 кВт
  • Номинальный ток
    210 А
  • Напряжение питания
    380В AC
  • Степень защиты
    IP20
  • Масса, кг
    28.7 кг
  • Габариты, мм (д/ш/в)
    534/280/255

Установочные и присоединительные размеры VRSS-110T4 110 кВт

110 кВт
110 кВт
Наименование W W1 h H1 H2 H3 d1 D1 D2 D3 Ø
W W1 H H1 H2 H3 D D1 D2 D3 d
VRSS-110T4 280 230 534 430 395 370 255 98 44 180 10

Аналоги и сопутствующие товары

Артикул: 235579 В наличии
Изображение товара АИР280S2 110 кВт 3000 об/мин
Выгода 45 073 руб
В наличии
Электродвигатели АИР
Артикул: 235579
АИР280S2 110 кВт 3000 об/мин
  • Тип двигателя Трехфазный 380В
  • Мощность двигателя 110 кВт
  • Обороты двигателя 3000 об/мин
  • Диаметр вала 70 мм
180 291 ₽
225 364 ₽
Артикул: 235580 В наличии
Изображение товара АИР280S4 110 кВт 1500 об/мин
Выгода 51 169 руб
В наличии
Электродвигатели АИР
Артикул: 235580
АИР280S4 110 кВт 1500 об/мин
  • Тип двигателя Трехфазный 380В
  • Мощность двигателя 110 кВт
  • Обороты двигателя 1500 об/мин
  • Диаметр вала 80 мм
204 675 ₽
255 844 ₽
Артикул: 235589 В наличии
Изображение товара АИР315S6 110 кВт 1000 об/мин
Выгода 77 903 руб
В наличии
Электродвигатели АИР
Артикул: 235589
АИР315S6 110 кВт 1000 об/мин
  • Тип двигателя Трехфазный 380В
  • Мощность двигателя 110 кВт
  • Обороты двигателя 1000 об/мин
  • Диаметр вала 90 мм
311 610 ₽
389 513 ₽
Артикул: 235596 В наличии
Изображение товара АИР315МА8 110 кВт 750 об/мин
Выгода 85 752 руб
В наличии
Электродвигатели АИР
Артикул: 235596
АИР315МА8 110 кВт 750 об/мин
  • Тип двигателя Трехфазный 380В
  • Мощность двигателя 110 кВт
  • Обороты двигателя 750 об/мин
  • Диаметр вала 90 мм
343 007 ₽
428 759 ₽
Артикул: 236082 В наличии
Изображение товара ВА280S2 110 кВт 3000 об/мин
Выгода 85 926 руб
В наличии
Двигатели ВА
Артикул: 236082
ВА280S2 110 кВт 3000 об/мин
  • Тип двигателя Взрывозащищенный трехфазный
  • Мощность двигателя 110 кВт
  • Обороты двигателя 3000 об/мин
  • Диаметр вала 70 мм
257 778 ₽
343 704 ₽
Артикул: 236084 В наличии
Изображение товара ВА280S4 110 кВт 1500 об/мин
Выгода 95 836 руб
В наличии
Двигатели ВА
Артикул: 236084
ВА280S4 110 кВт 1500 об/мин
  • Тип двигателя Взрывозащищенный трехфазный
  • Мощность двигателя 110 кВт
  • Обороты двигателя 1500 об/мин
  • Диаметр вала 80 мм
287 508 ₽
383 344 ₽
Артикул: 236094 В наличии
Изображение товара ВА315S6 110 кВт 1000 об/мин
Выгода 137 656 руб
В наличии
Двигатели ВА
Артикул: 236094
ВА315S6 110 кВт 1000 об/мин
  • Тип двигателя Взрывозащищенный трехфазный
  • Мощность двигателя 110 кВт
  • Обороты двигателя 1000 об/мин
  • Диаметр вала 90 мм
412 967 ₽
550 623 ₽
Артикул: 236097 В наличии
Изображение товара ВА315М8 110 кВт 750 об/мин
Выгода 169 443 руб
В наличии
Двигатели ВА
Артикул: 236097
ВА315М8 110 кВт 750 об/мин
  • Тип двигателя Взрывозащищенный трехфазный
  • Мощность двигателя 110 кВт
  • Обороты двигателя 750 об/мин
  • Диаметр вала 90 мм
508 329 ₽
677 772 ₽
Артикул: 235740 В наличии
Изображение товара АИС315S2 110 кВт 3000 об/мин
Выгода 131 597 руб
В наличии
Чугунная станина
Артикул: 235740
АИС315S2 110 кВт 3000 об/мин
  • Тип двигателя Трехфазный 380В
  • Мощность двигателя 110 кВт
  • Обороты двигателя 3000 об/мин
  • Диаметр вала 65 мм
307 061 ₽
438 658 ₽
Артикул: 235773 В наличии
Изображение товара АИС280МВ4 110 кВт 1500 об/мин
Выгода 119 886 руб
В наличии
Чугунная станина
Артикул: 235773
АИС280МВ4 110 кВт 1500 об/мин
  • Тип двигателя Трехфазный 380В
  • Мощность двигателя 110 кВт
  • Обороты двигателя 1500 об/мин
  • Диаметр вала 75 мм
279 734 ₽
399 620 ₽
Артикул: 235774 В наличии
Изображение товара АИС315S4 110 кВт 1500 об/мин
Выгода 129 822 руб
В наличии
Чугунная станина
Артикул: 235774
АИС315S4 110 кВт 1500 об/мин
  • Тип двигателя Трехфазный 380В
  • Мощность двигателя 110 кВт
  • Обороты двигателя 1500 об/мин
  • Диаметр вала 80 мм
302 917 ₽
432 739 ₽
Артикул: 235805 В наличии
Изображение товара АИС315LA6 110 кВт 1000 об/мин
Выгода 158 994 руб
В наличии
Чугунная станина
Артикул: 235805
АИС315LA6 110 кВт 1000 об/мин
  • Тип двигателя Трехфазный 380В
  • Мощность двигателя 110 кВт
  • Обороты двигателя 1000 об/мин
  • Диаметр вала 80 мм
370 987 ₽
529 981 ₽
Артикул: 236188 В наличии
Изображение товара 7АМН250S2 110 кВт 3000 об/мин
В наличии
Двигатели IP23 АМН ГОСТ
Артикул: 236188
7АМН250S2 110 кВт 3000 об/мин
  • Тип двигателя Трехфазный 380В
  • Мощность двигателя 110 кВт
  • Обороты двигателя 3000 об/мин
  • Диаметр вала 65 мм
280 742 ₽
Артикул: 236191 В наличии
Изображение товара 7АМН250М4 110 кВт 1500 об/мин
В наличии
Двигатели IP23 АМН ГОСТ
Артикул: 236191
7АМН250М4 110 кВт 1500 об/мин
  • Тип двигателя Трехфазный 380В
  • Мощность двигателя 110 кВт
  • Обороты двигателя 1500 об/мин
  • Диаметр вала 75 мм
297 874 ₽
Артикул: 236200 В наличии
Изображение товара 7АМН280М6 110 кВт 1000 об/мин
В наличии
Двигатели IP23 АМН ГОСТ
Артикул: 236200
7АМН280М6 110 кВт 1000 об/мин
  • Тип двигателя Трехфазный 380В
  • Мощность двигателя 110 кВт
  • Обороты двигателя 1000 об/мин
  • Диаметр вала 80 мм
363 144 ₽
Артикул: 238159 В наличии
Изображение товара VR110-93/110T4
Выгода 43 225 руб
В наличии
Серия VR110
Артикул: 238159
VR110-93/110T4
  • Количество фаз 3-фазный
  • Тип двигателя Трехфазный 380В
  • Мощность двигателя 90/110 кВт
  • Напряжение питания 380В AC
  • Номинальный выходной ток G/P 176/210 А
172 900 ₽
216 125 ₽
Артикул: 238160 В наличии
Изображение товара VR110-110/132T4
Выгода 47 830 руб
В наличии
Серия VR110
Артикул: 238160
VR110-110/132T4
  • Количество фаз 3-фазный
  • Тип двигателя Трехфазный 380В
  • Мощность двигателя 110/132 кВт
  • Напряжение питания 380В AC
  • Номинальный выходной ток G/P 210/253 А
191 322 ₽
239 152 ₽
Артикул: 238130 В наличии
Изображение товара EFIP500-090G/110P-4T
В наличии
Серия EFIP500
Артикул: 238130
EFIP500-090G/110P-4T
  • Количество фаз 3-фазный
  • Мощность двигателя 90/110 кВт
  • Напряжение питания 380В AC
  • Номинальный выходной ток G/P 176/210 А
232 750 ₽
Артикул: 238131 В наличии
Изображение товара EFIP500-110G/132P-4T
В наличии
Серия EFIP500
Артикул: 238131
EFIP500-110G/132P-4T
  • Количество фаз 3-фазный
  • Мощность двигателя 110/132 кВт
  • Напряжение питания 380В AC
  • Номинальный выходной ток G/P 210/253 А
257 548 ₽
Артикул: 238372 В наличии
Изображение товара VR100-93/110T4
Выгода 41 580 руб
В наличии
Серия VR100
Артикул: 238372
VR100-93/110T4
  • Количество фаз 3-фазный
  • Тип двигателя Трехфазный 380В
  • Мощность двигателя 90/110 кВт
  • Напряжение питания 380В AC
  • Номинальный выходной ток G/P 176/210 А
166 319 ₽
207 899 ₽
Артикул: 238373 В наличии
Изображение товара VR100-110/132T4
Выгода 50 542 руб
В наличии
Серия VR100
Артикул: 238373
VR100-110/132T4
  • Количество фаз 3-фазный
  • Тип двигателя Трехфазный 380В
  • Мощность двигателя 110/132 кВт
  • Напряжение питания 380В AC
  • Номинальный выходной ток G/P 210/253 А
202 169 ₽
252 711 ₽
Артикул: 238405 В наличии
Изображение товара VR180-93/110T4
Выгода 65 077 руб
В наличии
Серия VR180
Артикул: 238405
VR180-93/110T4
  • Количество фаз 3-фазный
  • Тип двигателя Трехфазный 380В
  • Мощность двигателя 90/110 кВт
  • Напряжение питания 380В AC
  • Номинальный выходной ток G/P 176/210 А
260 307 ₽
325 384 ₽
Артикул: 238406 В наличии
Изображение товара VR180-110/132T4
Выгода 76 000 руб
В наличии
Серия VR180
Артикул: 238406
VR180-110/132T4
  • Количество фаз 3-фазный
  • Тип двигателя Трехфазный 380В
  • Мощность двигателя 110/132 кВт
  • Напряжение питания 380В AC
  • Номинальный выходной ток G/P 210/253 А
304 002 ₽
380 002 ₽
Артикул: 238433 В наличии
Изображение товара VRSS90-110T4
В наличии
Серия VRSS90
Артикул: 238433
VRSS90-110T4
  • Количество фаз 3-фазный
  • Тип двигателя Трехфазный 380В
  • Мощность двигателя 110 кВт
  • Номинальный ток 230 А
  • Напряжение питания 380В AC
92 813 ₽
Артикул: 237264
Изображение товара АДМ280S2 110 кВт 3000 об/мин
Электродвигатели АДМ
Артикул: 237264
АДМ280S2 110 кВт 3000 об/мин
  • Тип двигателя Трехфазный 380В
  • Мощность двигателя 110 кВт
  • Обороты двигателя 3000 об/мин
  • Диаметр вала 70 мм
306 038 ₽
Артикул: 237265
Изображение товара АДМ280S4 110 кВт 1500 об/мин
Электродвигатели АДМ
Артикул: 237265
АДМ280S4 110 кВт 1500 об/мин
  • Тип двигателя Трехфазный 380В
  • Мощность двигателя 110 кВт
  • Обороты двигателя 1500 об/мин
  • Диаметр вала 80 мм
339 508 ₽
Артикул: 237274
Изображение товара АДМ315S6 110 кВт 1000 об/мин
Электродвигатели АДМ
Артикул: 237274
АДМ315S6 110 кВт 1000 об/мин
  • Тип двигателя Трехфазный 380В
  • Мощность двигателя 110 кВт
  • Обороты двигателя 1000 об/мин
  • Диаметр вала 90 мм
538 244 ₽
Артикул: 237281
Изображение товара АДМ315М8 110 кВт 750 об/мин
Электродвигатели АДМ
Артикул: 237281
АДМ315М8 110 кВт 750 об/мин
  • Тип двигателя Трехфазный 380В
  • Мощность двигателя 110 кВт
  • Обороты двигателя 750 об/мин
  • Диаметр вала 90 мм
475 324 ₽
Артикул: 236545
Изображение товара АДЧР280S2 110 кВт 3000 об/мин
Электродвигатели АДЧР
Артикул: 236545
АДЧР280S2 110 кВт 3000 об/мин
  • Тип двигателя Трехфазный 380В
  • Мощность двигателя 110 кВт
  • Обороты двигателя 3000 об/мин
  • Диаметр вала 70 мм
296 531 ₽
Артикул: 236546
Изображение товара АДЧР280S4 110 кВт 1500 об/мин
Электродвигатели АДЧР
Артикул: 236546
АДЧР280S4 110 кВт 1500 об/мин
  • Тип двигателя Трехфазный 380В
  • Мощность двигателя 110 кВт
  • Обороты двигателя 1500 об/мин
  • Диаметр вала 80 мм
336 636 ₽
Артикул: 236555
Изображение товара АДЧР315S6 110 кВт 1000 об/мин
Электродвигатели АДЧР
Артикул: 236555
АДЧР315S6 110 кВт 1000 об/мин
  • Тип двигателя Трехфазный 380В
  • Мощность двигателя 110 кВт
  • Обороты двигателя 1000 об/мин
  • Диаметр вала 90 мм
492 017 ₽
Артикул: 236562
Изображение товара АДЧР315MА8 110 кВт 750 об/мин
Электродвигатели АДЧР
Артикул: 236562
АДЧР315MА8 110 кВт 750 об/мин
  • Тип двигателя Трехфазный 380В
  • Мощность двигателя 110 кВт
  • Обороты двигателя 750 об/мин
  • Диаметр вала 90 мм
541 590 ₽
Артикул: 236303
Изображение товара АИР280S2E (ET) с тормозом 850 Н*м
Выгода 148 860 руб
Двигатели с тормозом ГОСТ
Артикул: 236303
АИР280S2E (ET) с тормозом 850 Н*м
  • Тип двигателя Трехфазный 380В
  • Тормозной момент 850 Н*м
  • Мощность двигателя 110 кВт
  • Обороты двигателя 3000 об/мин
  • Диаметр вала 70 мм
446 581 ₽
595 441 ₽
Артикул: 236305
Изображение товара АИР280S4E (ET) с тормозом 850 Н*м
Выгода 163 387 руб
Двигатели с тормозом ГОСТ
Артикул: 236305
АИР280S4E (ET) с тормозом 850 Н*м
  • Тип двигателя Трехфазный 380В
  • Тормозной момент 850 Н*м
  • Мощность двигателя 110 кВт
  • Обороты двигателя 1500 об/мин
  • Диаметр вала 80 мм
490 160 ₽
653 547 ₽
Артикул: 236315
Изображение товара АИР315S6E (ET) с тормозом 2000 Н*м
Выгода 208 516 руб
Двигатели с тормозом ГОСТ
Артикул: 236315
АИР315S6E (ET) с тормозом 2000 Н*м
  • Тип двигателя Трехфазный 380В
  • Тормозной момент 2000 Н*м
  • Мощность двигателя 110 кВт
  • Обороты двигателя 1000 об/мин
  • Диаметр вала 90 мм
625 549 ₽
834 065 ₽
Артикул: 236318
Изображение товара АИР315МА8E (ET) с тормозом 2000 Н*м
Выгода 217 135 руб
Двигатели с тормозом ГОСТ
Артикул: 236318
АИР315МА8E (ET) с тормозом 2000 Н*м
  • Тип двигателя Трехфазный 380В
  • Тормозной момент 2000 Н*м
  • Мощность двигателя 110 кВт
  • Обороты двигателя 750 об/мин
  • Диаметр вала 90 мм
651 405 ₽
868 540 ₽
Артикул: 236404
Изображение товара АИС280МВ2Е (ET) с тормозом 850 Н*м
Выгода 169 041 руб
Двигатели с тормозом DIN
Артикул: 236404
АИС280МВ2Е (ET) с тормозом 850 Н*м
  • Тип двигателя Трехфазный 380В
  • Тормозной момент 850 Н*м
  • Мощность двигателя 110 кВт
  • Обороты двигателя 3000 об/мин
  • Диаметр вала 65 мм
507 122 ₽
676 163 ₽
Артикул: 236422
Изображение товара АИС280МВ4Е (ET) с тормозом 850 Н*м
Выгода 164 318 руб
Двигатели с тормозом DIN
Артикул: 236422
АИС280МВ4Е (ET) с тормозом 850 Н*м
  • Тип двигателя Трехфазный 380В
  • Тормозной момент 850 Н*м
  • Мощность двигателя 110 кВт
  • Обороты двигателя 1500 об/мин
  • Диаметр вала 80 мм
492 954 ₽
657 272 ₽
Артикул: 235834
Изображение товара АИС315LB8 110 кВт 750 об/мин
Выгода 179 973 руб
Чугунная станина
Артикул: 235834
АИС315LB8 110 кВт 750 об/мин
  • Тип двигателя Трехфазный 380В
  • Мощность двигателя 110 кВт
  • Обороты двигателя 750 об/мин
  • Диаметр вала 80 мм
419 937 ₽
599 910 ₽
Артикул: 236801
Изображение товара ВРА280S2 110 кВт 3000 об/мин
Рудничные ВРА
Артикул: 236801
ВРА280S2 110 кВт 3000 об/мин
  • Тип двигателя Взрывозащищенный трехфазный
  • Мощность двигателя 110 кВт
  • Обороты двигателя 3000 об/мин
  • Диаметр вала 70 мм
651 407 ₽
Артикул: 236803
Изображение товара ВРА280S4 110 кВт 1500 об/мин
Рудничные ВРА
Артикул: 236803
ВРА280S4 110 кВт 1500 об/мин
  • Тип двигателя Взрывозащищенный трехфазный
  • Мощность двигателя 110 кВт
  • Обороты двигателя 1500 об/мин
  • Диаметр вала 80 мм
731 841 ₽
Артикул: 236822
Изображение товара 5АМН250М2 110 кВт 3000 об/мин
Двигатели IP23 АМН ГОСТ
Артикул: 236822
5АМН250М2 110 кВт 3000 об/мин
  • Тип двигателя Трехфазный 380В
  • Мощность двигателя 110 кВт
  • Обороты двигателя 3000 об/мин
  • Диаметр вала 65 мм
336 258 ₽
Артикул: 236824
Изображение товара 5АМН250М4 110 кВт 1500 об/мин
Двигатели IP23 АМН ГОСТ
Артикул: 236824
5АМН250М4 110 кВт 1500 об/мин
  • Тип двигателя Трехфазный 380В
  • Мощность двигателя 110 кВт
  • Обороты двигателя 1500 об/мин
  • Диаметр вала 75 мм
366 174 ₽
Артикул: 236833
Изображение товара 5АМН280М6 110 кВт 1000 об/мин
Двигатели IP23 АМН ГОСТ
Артикул: 236833
5АМН280М6 110 кВт 1000 об/мин
  • Тип двигателя Трехфазный 380В
  • Мощность двигателя 110 кВт
  • Обороты двигателя 1000 об/мин
  • Диаметр вала 80 мм
635 067 ₽
Артикул: 236841
Изображение товара 5АМН315S8 110 кВт 750 об/мин
Двигатели IP23 АМН ГОСТ
Артикул: 236841
5АМН315S8 110 кВт 750 об/мин
  • Тип двигателя Трехфазный 380В
  • Мощность двигателя 110 кВт
  • Обороты двигателя 750 об/мин
  • Диаметр вала 90 мм
762 345 ₽
Артикул: 238322
Изображение товара VR50-110Т4
Выгода 48 799 руб
Серия VR50
Артикул: 238322
VR50-110Т4
  • Количество фаз 3-фазный
  • Тип двигателя Трехфазный 380В
  • Мощность двигателя 110 кВт
  • Напряжение питания 380В AC
  • Номинальный выходной ток G/P 210 А
195 197 ₽
243 996 ₽

Отзывы

Отзывов еще нет
Поделитесь мнением, чтобы помочь другим покупателям в выборе

Как купить VRSS-110T4 110 кВт

  • 1 шаг
  • 2 шаг
    В течение короткого времени вы получите предложение или счёт на оплату с индивидуальными условиями оплаты и доставки


  • 3 шаг
    После оплаты вашего заказа мы отправим его по адресу, который вы укажете в заявке, в течение 2-х дней. В зависимости от суммы заказа на итоговую стоимость может быть применена скидка

Заказать VRSS-110T4 110 кВт

Оставьте заявку нашим менеджерам

Или напишите на почту:

zakaz@uesk.org

Другие товары

Артикул: 238280 В наличии
Изображение товара VRSS-11T4
Выгода 4 776 руб
В наличии
Серия VRSS
Артикул: 238280
VRSS-11T4
  • Количество фаз 3-фазный
  • Тип двигателя Трехфазный 380В
  • Мощность двигателя 11 кВт
  • Номинальный ток 25 А
  • Напряжение питания 380В AC
19 104 ₽
23 880 ₽
Артикул: 238281 В наличии
Изображение товара VRSS-15T4
Выгода 5 640 руб
В наличии
Серия VRSS
Артикул: 238281
VRSS-15T4
  • Количество фаз 3-фазный
  • Тип двигателя Трехфазный 380В
  • Мощность двигателя 15 кВт
  • Номинальный ток 32 А
  • Напряжение питания 380В AC
22 560 ₽
28 200 ₽
Артикул: 238282 В наличии
Изображение товара VRSS-18T4
Выгода 6 180 руб
В наличии
Серия VRSS
Артикул: 238282
VRSS-18T4
  • Количество фаз 3-фазный
  • Тип двигателя Трехфазный 380В
  • Мощность двигателя 18,5 кВт
  • Номинальный ток 37 А
  • Напряжение питания 380В AC
24 720 ₽
30 900 ₽
Артикул: 238283 В наличии
Изображение товара VRSS-22T4
Выгода 6 540 руб
В наличии
Серия VRSS
Артикул: 238283
VRSS-22T4
  • Количество фаз 3-фазный
  • Тип двигателя Трехфазный 380В
  • Мощность двигателя 22 кВт
  • Номинальный ток 45 А
  • Напряжение питания 380В AC
26 160 ₽
32 700 ₽
Артикул: 238284 В наличии
Изображение товара VRSS-30T4
Выгода 7 520 руб
В наличии
Серия VRSS
Артикул: 238284
VRSS-30T4
  • Количество фаз 3-фазный
  • Тип двигателя Трехфазный 380В
  • Мощность двигателя 30 кВт
  • Номинальный ток 60 А
  • Напряжение питания 380В AC
30 080 ₽
37 600 ₽
Артикул: 238285 В наличии
Изображение товара VRSS-37T4
Выгода 8 200 руб
В наличии
Серия VRSS
Артикул: 238285
VRSS-37T4
  • Количество фаз 3-фазный
  • Тип двигателя Трехфазный 380В
  • Мощность двигателя 37 кВт
  • Номинальный ток 75 А
  • Напряжение питания 380В AC
32 800 ₽
41 000 ₽
Артикул: 238286 В наличии
Изображение товара VRSS-45T4
Выгода 8 660 руб
В наличии
Серия VRSS
Артикул: 238286
VRSS-45T4
  • Количество фаз 3-фазный
  • Тип двигателя Трехфазный 380В
  • Мощность двигателя 45 кВт
  • Номинальный ток 90 А
  • Напряжение питания 380В AC
34 640 ₽
43 300 ₽
Артикул: 238287 В наличии
Изображение товара VRSS-55T4
Выгода 10 520 руб
В наличии
Серия VRSS
Артикул: 238287
VRSS-55T4
  • Количество фаз 3-фазный
  • Тип двигателя Трехфазный 380В
  • Мощность двигателя 55 кВт
  • Номинальный ток 110 А
  • Напряжение питания 380В AC
42 080 ₽
52 600 ₽
Артикул: 238288 В наличии
Изображение товара VRSS-75T4
Выгода 17 460 руб
В наличии
Серия VRSS
Артикул: 238288
VRSS-75T4
  • Количество фаз 3-фазный
  • Тип двигателя Трехфазный 380В
  • Мощность двигателя 75 кВт
  • Номинальный ток 152 А
  • Напряжение питания 380В AC
69 840 ₽
87 300 ₽
Артикул: 238289 В наличии
Изображение товара VRSS-93T4
Выгода 19 340 руб
В наличии
Серия VRSS
Артикул: 238289
VRSS-93T4
  • Количество фаз 3-фазный
  • Тип двигателя Трехфазный 380В
  • Номинальный ток 176 А
  • Мощность двигателя 90 кВт
  • Напряжение питания 380В AC
77 360 ₽
96 700 ₽